Rumah / Berita

Berita

Kemahiran Penyelenggaraan Rantaian Senyap

Kemahiran Penyelenggaraan Rantaian Senyap

Rantaian ini biasanya merupakan pautan logam atau cincin, yang kebanyakannya digunakan untuk penghantaran mekanikal dan daya tarikan. Mari kita ...

Apakah Punca Kerosakan Pada Rantai Motosikal

Apakah Punca Kerosakan Pada Rantai Motosikal

Rantai Motosikal , sebagai peranti daya penghantaran biasa, menggunakan reka bentuk "rantai" arka hiperbolik untuk mengurangkan geseran. Ia d...

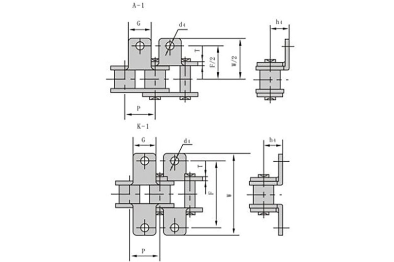
Apakah Bahagian Rantai Roller

Apakah Bahagian Rantai Roller

Apakah bahagian-bahagian yang Rantai Penggelek ? 1. Aci pin: elemen silinder langsing yang digunakan sebagai paksi putaran ...

Pengeluar Rantaian Pemacu Memperkenalkan Hubungan Antara Rantaian Dan Sprocket

Pengeluar Rantaian Pemacu Memperkenalkan Hubungan Antara Rantaian Dan Sprocket

Rantaian Pandu Pengilang memperkenalkan bahawa sproket digerakkan oleh rantai, dan unit model biasanya dalam bahasa Inggeris. Terdapat ...

Pengeluar Rantai Pertanian Memperkenalkan Penyediaan Rantai

Pengeluar Rantai Pertanian Memperkenalkan Penyediaan Rantai

Rantaian Pertanian pengilang memperkenalkan bahawa rantai mesti bersedia untuk memeriksa sama ada terdapat skru dalam rantai sebelum di...

Pengeluar Rantaian Penghantaran Memperkenalkan Cara Mengekalkan Rantaian

Pengeluar Rantaian Penghantaran Memperkenalkan Cara Mengekalkan Rantaian

Apabila rantai tertakluk kepada rawatan anti-karat untuk menyelesaikan proses operasi, adalah perlu untuk mengelap pes jeruk pada permukaannya t...

Mengapa Rantai Daun Mengalami Masalah Sisihan Biasa

Mengapa Rantai Daun Mengalami Masalah Sisihan Biasa

Dengan trend pembangunan berterusan dalam bidang rantai keluli tahan karat, produk rantaian keluli tahan karat juga telah digunakan secara melua...

Butiran Penyelenggaraan Harian Rantaian Perindustrian

Butiran Penyelenggaraan Harian Rantaian Perindustrian

Rantaian Perindustrian ialah kelebihan dan butiran penyelenggaraan harian: 1. Jika rantai pemacu terkeluar dari ...

Pengeluar Rantaian Senyap Memperkenalkan Cara Menangani Ralat Sproket Keluli Tahan Karat Dengan Betul

Pengeluar Rantaian Senyap Memperkenalkan Cara Menangani Ralat Sproket Keluli Tahan Karat Dengan Betul

Rantai Senyap Pengilang memperkenalkan cara menangani ralat gegancu keluli tahan karat dengan betul? Perhatikan pergera...

Pengeluar Rantaian Motosikal Memperkenalkan Kaedah Penyelesaian Masalah Biasa Sprocket

Pengeluar Rantaian Motosikal Memperkenalkan Kaedah Penyelesaian Masalah Biasa Sprocket

Rantai Motosikal Pengilang memperkenalkan kaedah penyelesaian masalah biasa bagi gegancu: 1. Sebab kapasiti galas tidak...

Pengeluar Rantaian Roller memperkenalkan cara menangani kesilapan sproket dengan betul

Pengeluar Rantaian Roller memperkenalkan cara menangani kesilapan sproket dengan betul

Apabila sproket keluli tahan karat mengalami ralat, kita tidak seharusnya tergesa-gesa untuk menyelesaikannya. Jom ikuti Rantai Penggelek ...

Pengeluar Rantaian Pemacu Memperkenalkan Cara Cepat Menanggalkan Galas Sproket yang Rosak

Pengeluar Rantaian Pemacu Memperkenalkan Cara Cepat Menanggalkan Galas Sproket yang Rosak

Rantaian Pandu Pengilang memperkenalkan cara cepat menanggalkan galas gegancu yang rosak: 1. Keluarkan penutup hujung dan pe...