Rumah / Berita

Berita

Kemahiran Membeli Rantai Daun

Kemahiran Membeli Rantai Daun

Rantai Daun mempunyai banyak fungsi, jadi apakah yang perlu anda perhatikan semasa membeli rantai? 1. Pemeriksaan penampilan ...

Proses Penyelenggaraan Rantaian Industri

Proses Penyelenggaraan Rantaian Industri

Kekerapan pembersihan Rantaian Perindustrian boleh dibersihkan dalam masa setiap beberapa bulan, setiap kali rantai bersentuhan denga...

Kaedah Rawatan Bintik Jenis Rantai Senyap

Kaedah Rawatan Bintik Jenis Rantai Senyap

Rantai Senyap Struktur bahan keluli, struktur rantai keluli, bagaimanapun, persekitaran air pasang dan kelembapan, atau persekitaran se...

Peraturan Standard Penggunaan Seperti Rantai Motosikal

Peraturan Standard Penggunaan Seperti Rantai Motosikal

Di bawah keadaan yang menggalakkan, ekonomi sepenuhnya, rasional sepenuhnya, semuanya dalam a Rantai Motosikal tempoh penggunaan, kec...

Langkah Berjaga-jaga Untuk Penyelenggaraan Rantai Roller

Langkah Berjaga-jaga Untuk Penyelenggaraan Rantai Roller

Bagaimana untuk mengekalkan dengan betul Rantai Penggelek ? Pertama sekali, jangan rendam rantai secara langsung dalam pembersih asid...

Petua Penyelenggaraan Rantaian Pandu

Petua Penyelenggaraan Rantaian Pandu

Rantaian Pandu adalah sangat biasa dalam proses pengeluaran perindustrian hari ini, jadi bagaimana untuk mengekalkan Rantaian Pemacu de...

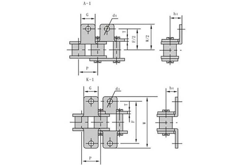
Spesifikasi Biasa Rantaian Penghantar

Spesifikasi Biasa Rantaian Penghantar

Rantaian Penghantar terbahagi kepada siri A dan siri B. Siri A adalah mengikut spesifikasi saiz standard rantaian AS: Siri B adalah selaras d...

Pengeluar Sprocket Industri Memperkenalkan Keperluan Pemilihan Untuk E-Rantai

Pengeluar Sprocket Industri Memperkenalkan Keperluan Pemilihan Untuk E-Rantai

Sproket Perindustrian pengilang mengingatkan bahawa kuantiti, jenis dan diameter kabel dan paip udara, paip hidraulik menentukan saiz dan kae...

Pembekal Rantai Daun Memperkenalkan Perbezaan Antara Rantaian Keluli Tahan Karat Dan Rantai Keluli Karbon

Pembekal Rantai Daun Memperkenalkan Perbezaan Antara Rantaian Keluli Tahan Karat Dan Rantai Keluli Karbon

Apakah perbezaan antara rantai keluli tahan karat dan rantai keluli karbon? Sebagai tindak balas kepada masalah ini, di bawah, Rantai Daun...

Apakah Kegunaan Utama Rantaian Perindustrian?

Apakah Kegunaan Utama Rantaian Perindustrian?

Pada masa kini, kekerapan dan tempat di mana Rantaian Perindustrian digunakan dalam industri pembuatan industri semakin meluas. Ranta...

Langkah Berjaga-jaga Untuk Merekabentuk Dan Menghasilkan Rantaian Senyap

Langkah Berjaga-jaga Untuk Merekabentuk Dan Menghasilkan Rantaian Senyap

Akan ada beberapa masalah dalam proses pengeluaran Rantai Senyap . Jika ia adalah masalah besar, kerugian akan menjadi besar, dan leb...

Rantai Motosikal Juga Mempunyai Model Unik Tersendiri

Rantai Motosikal Juga Mempunyai Model Unik Tersendiri

Seperti minyak enjin, Rantai Motosikal juga mempunyai model tersendiri. Mengikut keperluan kenderaan yang berbeza, model rantai yang ...